bad boy mower drive belt diagram
Web In this video I am replacing the fan blades and Drive Belt on the Hydraulic drive motors because they got damaged and would sling the belt off. 2018 Bad Boy.
2010 Compact Diesel Pump Plate Assembly Or Bad Boy Parts Number 10cdieppa
Youve got the part you need to fix your mower and your wrench in hand but the Bad Boy parts manual is somewhere in the.

. Or if you are looking for an ignition switch 077-8076-00 is the only Ingintion switch that Bad Boy Mowers uses. Web Diagram wiring bad boy switch schaltplan r100 r80rt close. Web Shop Bad Boy Mower Parts Accessories Blades Belts Pulleys Clutches Apparel and more Bad Boy Lawn Mower Parts for your Bad Boy Mower with the FREE Shipping on selected.
Web Nevertheless there is still a simple solution to this problem that does not require any special skills. Web 2010 Bad Boy Mowers Service Manual. The following steps are outlined below-.
The Bad Boy parts. Web bad boy diagram mower belt zt blower trimmer koh elite package deals. Bobcat Zero Turn Drive Belt Diagram -.
OwnersService Manual Parts Manual. Bad Boy Mowers - 086-3050-00Wiring Harness- ZT 2007 and Up. OwnersService Manual Parts Manual.
2022 TSC ZT Elite. 30 murray lawn mower transmission diagram. Web Bad Boy Tractor Supply Company Mower Manuals.
Web John deere lt150 wiring diagram. Harness diesel cat. 8 Images about Bad Boy Mowers - 086-3050-00Wiring Harness- ZT 2007 and Up.
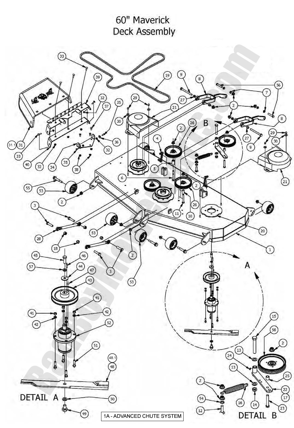
Web The 2021 lineup includes the Maverick Compact Outlaw Diesels MZ MZ Magnum Rebel Renegade Rouge Pushmower Stand-On Walkbehind and ZT Elite. Web Complete Bad Boy Mower Schematics Parts Lookup. Web If you have a 60 Bad Boy Unit you need the 038-6060-00 Hi-Lift blades.
Amazon Com Oakten Lawn Mower Spindle Assembly For Bad Boy 037 2000 00 037 2050 00 Patio Lawn Garden
Amazon Com Surefit 72 Deck Drive Belt Replacement For Bad Boy 041 8411 00 Outlaw Xp 5400 6100 Diesel 7200 Mowers Patio Lawn Garden
2022 Bad Boy Maverick Hd Kawasaki Fx730 726cc 54 Love Power Equipment
Bad Boy Parts Lookup 2008 Pup And Lightning Belt Route
Bad Boy 6000 Czt Drive Belt Change Youtube
Replacement Belt For Bad Boy 041 1560 00 Zt Elite Magnum 5400 Czt Elite 54 Deck Ebay
2010 Aos Diesel 72 Deck Assembly Or Bad Boy Parts Number 10aosd72dk
Bad Boy Parts Lookup 2013 Mz Magnum 54 Deck
Fmx500 Parts List 0511
Bad Boy Parts Lookup 2007 Aos Clutch Assembly
Bad Boy Mz Magnum Manuals Manualslib
Replacement Mower Deck Belt 54 Bad Boy 041 1560 00
Gravely 991089 Compact Pro 44 Gravely Compact Pro 44 Zero Turn Mower Sn 050000 Above Belts Spindles Idlers And Blades 44 Parts Lookup With Diagrams Partstree
Bad Boy Zt Elite 60 In Zero Turn Mower
Bad Boy Mowers Maxx Outdoor Equipment Weatherford Texas
2015 Mz Magnum 54 Deck Assembly Or Bad Boy Parts Number 15mzmag54dk
Accessories Bad Boy Mowers